血管形成是肿瘤发生发展、浸润与转移的重要条件,其中肿瘤细胞自身分泌的生长因子可以诱导血管生成。恶性肿瘤通常伴有快速增长和密集的血管,抑制血管生成可以有效地阻止肿瘤组织的生长和扩散,体外血管生成实验能够模拟肿瘤的血管发生过程,并且适用于研究药物对此过程的影响。
1. 血管形成实验
01 实验原理
内皮细胞保留了分裂和快速迁移的能力,可响应血管生成信号。
02 血管形成一般使用哪些细胞?
多种类型的内皮细胞均可用于本实验,包括原代细胞和永生化细胞系。常用的有“人脐静脉内皮细胞(HUVEC)”,之所以不采用静脉血管内皮细胞与动脉血管内皮细胞是因为HUVEC具有干细胞的潜能,理论上可以传代50-60次。此外小鼠3B-11细胞、小鼠SVEC4-10细胞或原代内皮细胞也可用于血管形成实验。
03 实验操作步骤
a.实验准备与材料
准备:实验前一天将Matrigel置于冰盒中,放入冰箱过夜,4℃温度,使胶缓慢融化。同样提前将枪头、EP管、96孔板放入4℃度冰箱中预冷。
b.分装:将冻融的Matrigel进行分装,并用预冷枪头混匀,以300ul/管分装到EP管中,整个过程始终是在冰盒中进行。
C.铺胶:将96孔板放在冰盒上,以每孔50ul把基质胶加到96孔板内,避免产生气泡,加完稍微摇晃均匀放在4℃冰箱中静置20-30min,再放入37℃细胞培养箱中1h等待凝固。
d.收集:当内皮细胞达到80%时汇合度后准备消化,收集细胞进行计数,并按照稀释调整细胞的密度(初次实验设置细胞密度建议:3~10*10^4细胞);
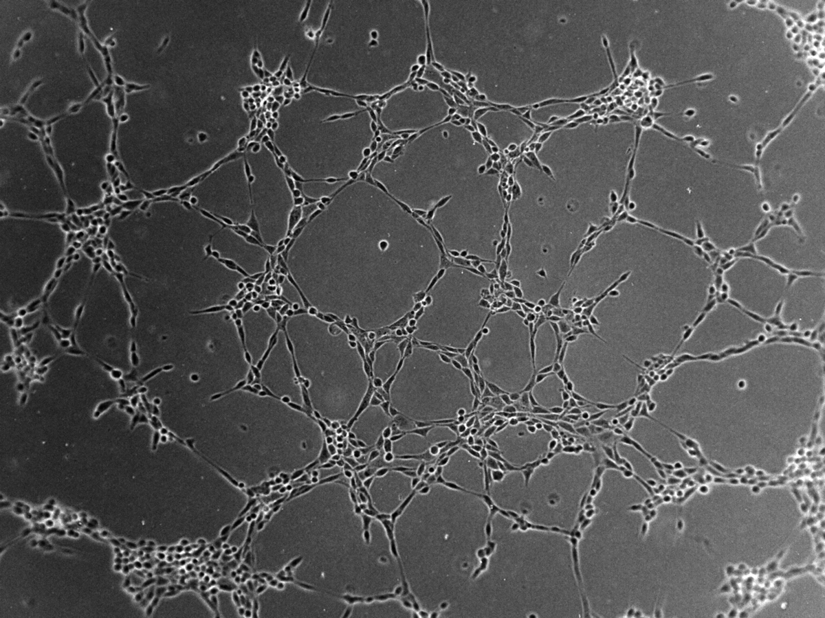
e.观察:96孔板加入100ul的细胞悬液,做好标记后放入37℃细胞培养箱常规培养。四小时后可见血管形成。在镜下观察并拍照,时间为14~18h。结果分析。
|
|
|
| A-1h-40 | B-1h-40 |
|
|
|
| A-6h-40 | B-6h-40 |
1.如何正确加入基质胶?
手持移液枪垂直于96孔板内孔的正上方,将基质胶滴入孔底部,防止基质胶沾到孔壁上。若孔底部没有铺匀,可晃动孔板使其均匀铺于底部。
2.血管形成实验,应选用多大浓度的基质胶呢?
最低浓度应不低于10mg/mL,基质胶的稀释比例是6mg/mL以上。成管效果最好的是6~8mg/mL。
3.血管形成实验应选哪种凝胶基质?
内皮细胞的管形成率取决于形成基底膜样细胞外基质(ECM)表面的凝胶的类型和成分,细胞在该表面上接种。

关注微信公众号